0573-8316-2015
日本語
ENGLISH
首页
产品介绍
案例中心
新闻资讯
视频展示
下载中心
关于我们
联系我们
当前位置:
爱科昇振动机械
>
产品列表
>
混凝土预制件产品
>
高频气动振动器
内容概述
规格参数
现场图片
高频气动振动器
强振动力的气动振动器,单个离心力达47kN(理论负荷4.7t),接上气源即可使用,结构特殊故障率低,可以长期放心使用。
本产品主要用于生产混凝土预制件,也可作为振动传输机、振动筛选机等振动器材的振动源,可以广泛应用于各个行业。
规格参数
产品规格
型号
使用压力
振动数
离心力
耗气量
使用压力范围
重量
(MPa)
(Hz)
(kN)
(NL/min)
(MPa)
(kg)
CR90LF
0.6
217
33
1680
0.2~0.6
16.5
CR100LF
47
18
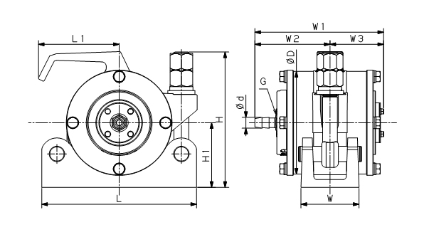
产品尺寸参数表(单位:mm)
型号
L
L1
H
H1
W
W1
W2
W3
G
ΦD
Φd
CR90LF
240
125
211
101
90
200
117
83
3/8
160
17
CR100LF
产品尺寸图
安装位置参考图
现场图片
高频气动振动器 管片工厂 ...
高频气动振动器 管片工厂 ...
首页
产品介绍
案例中心
新闻资讯
视频展示
下载中心
联系我们
版权所有:爱科昇振动机械(嘉兴)有限公司 地址:浙江省嘉兴市南湖区余新镇镇北路22号
电话:0573-83162015 传真:0573-83162025 邮箱:1627861599@qq.com exenjx@163.com
关于我们
联系我们
日语版
英语版
备案号:
浙ICP备12046957号
0573-8316-2015
手机版请扫描二维码